VCI SPARK 08028 MOTOR
Introduction
The VCI SPARK08028 motor uses AL7075 high-strength aviation aluminum alloy material. It adopts a three-piece lightweight design while ensuring structural strength. The large hollow head cover reduces the mass while enhancing the heat dissipation capacity. Combined with the motor’s own air suction design, the motor temperature is further reduced and the operation is more stable;
Suitable for 1S-2S indoor circle machine flight, small size (including line 1.8g) and large power; can be used for indoor free flight, or for 0702/0802 models to upgrade the power to make flying more enjoyable;
Features
The VCI SPARK08028 motor is different from the existing motors on the market. It abandons the copper sleeve plus lubricating oil solution and changes to a double ball bearing design, which makes the motor run with less resistance, higher efficiency, faster response, and enhances the fun of flying;
The imported 0.15mm silicon steel sheet can effectively reduce eddy current loss and reduce motor heating;
The magnet uses imported N52SH, which has a special magnetic circuit design to reduce its own resistance and improve motor efficiency;
The silicone wire outlet uses PCB as a transfer, which is stronger than direct welding and less likely to break. It is also convenient for players to replace other wires by themselves;
Adaptation
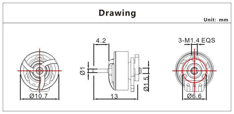
The motor is fixed with 3 holes (refer to the appearance diagram for specific dimensions)
Ø1.0mm output shaft, all conventional propellers on the market can be adapted;
Under 1s voltage, with 35~40mm propellers, the maximum thrust can be output 42g.
Under 2s voltage, with 31~35mm propellers, the maximum thrust can be output 81g.
Applicable to 65mm-75mm circle machine;
Accessories
M1.4×3 black cross screws 4PCS
| OPTIONS | 13500KV, 22000KV, 27000KV |
|---|
Only logged in customers who have purchased this product may leave a review.
















Reviews
There are no reviews yet.